Prenesi PDF

Induktivno stikalo    ~    S povečano preklopno razdaljo

DCE 30 5619        PNP  NC


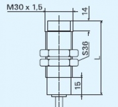
Slika:
Shema:
Električna shema:
Lastnost Vrednost
Dimenzija M 30
Način vgradnje stikala Neporavnan
Preklopna razdalja Sn [mm] 28
Napajalna napetost DC
Napajalna napetost U[V] 10-30 V DC
Padec napetosti U[Ud] 1,5 V
Valovistost napetosti Ud < 10%
Lastna raba Io[mA] 10 mA
Maksimalni tok I[mA] 250mA
Material ohišja MS Niklano
Oblika ohišja valjasta
Dimenzija ohišja (L) 75 mm
Mehanska zaščita IP 67
Priklop 2m PVC
Temperatura območje delovanja -25 °C do + 70 °C
Ponovitvena točnost R < 2% Sn
Histereza Hy 1% - 15%
Frekvenca preklopa [f] 100 Hz
Zaščita zamenjave polov Vgrajena
LED funkcija DA