Prenesi PDF

Induktivno stikalo    ~    Kratko , s povečano preklopno razdaljo

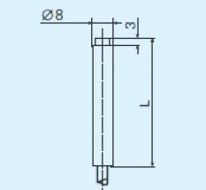
DSE 8 5319        PNP  NC


Slika:
Shema:
Električna shema:
Lastnost Vrednost
Dimenzija Ø8
Način vgradnje stikala Neporavnan
Preklopna razdalja Sn [mm] 4
Napajalna napetost DC
Napajalna napetost U[V] 10-30 V DC
Padec napetosti U[Ud] 1,5 V
Valovistost napetosti Ud < 10%
Lastna raba Io[mA] 10 mA
Maksimalni tok I[mA] 200mA
Material ohišja Nerjavno jeklo 1.4301
Oblika ohišja valjasta
Dimenzija ohišja (L) 38 mm
Mehanska zaščita IP 67
Priklop 2m PVC
Temperatura območje delovanja -25 °C do + 70 °C
Ponovitvena točnost R < 2% Sn
Histereza Hy 1% - 15%
Frekvenca preklopa [f] 1000 Hz
Zaščita zamenjave polov Vgrajena
LED funkcija DA