| Lastnost |
Vrednost |
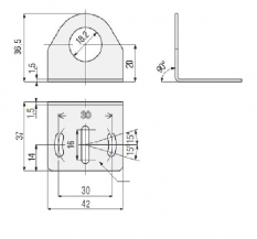
| Dimenzija |
37 X 36,5 (1,5 mm debelina pločevine), luknje 4mm, razdalja med luknjami 30 mm |
| Material ohišja |
nerjaveče jeklo AISI316L |
| Zaloga je omejena 1-5 kosov |
DA |
| Dobava |
v kolikor izdelka ni na zalogi: 1-2 tedna po naročilu |
| Uporaba |
Kotni nosilec za montažo M18 stikal (induktivni, kapacitivni, optični, magnetni) agresivnem okolju |
| Prednost za uporabnika |
Prihranek časa pri montaži senzorja preko nosilca, brez zamudne izdelave nosilca iz nerjavečega jekla |