Prenesi PDF

Nosilci za senzorje    ~    Nosilec M18

Nosilec FBS NK18-MD     


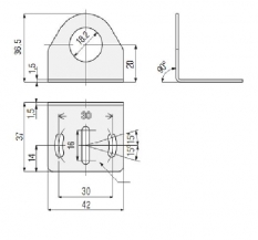
Slika:
Shema:
Lastnost Vrednost
Dimenzija 37 X 36,5 (1,5 mm debelina pločevine), luknje 4mm, razdalja med luknjami 30 mm
Material ohišja Cinkano jeklo
Zaloga je omejena 1-5 kosov DA
Dobava v kolikor izdelka ni na zalogi: 1-2 tedna po naročilu
Uporaba Kotni nosilec za montažo M18 stikal (induktivni, kapacitivni, optični, magnetni)
Prednost za uporabnika Prihranek časa pri montaži senzorja preko nosilca, brez zamudne izdelave nosilca iz jekla in drugih nevarnosti (urez, poškodbe pri vrtanju, krivljenju pločevine)