Prenesi PDF

Magnetno stikalo    ~    Za nivo tekocin

RNS167-85-1500 ST        dvozicno  NO


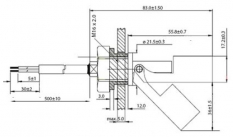
Slika:
Shema:
Električna shema:
Lastnost Vrednost
Dimenzija Ø 21,5mm
Napajalna napetost DC
Napajalna napetost U[V] 250V DC
Stikalni tok [mA] 1000
Stikalna moč [W] 100
Material ohišja PA
Oblika ohišja valjasta
Dimenzija ohišja (L) 80mm
Mehanska zaščita IP 68
Priklop 1,5m PVC
Temperatura območje delovanja - 25°C do + 70 °C
LED funkcija NE